Tujuan Pembelajaran :
- Siswa dapat menjelaskan kegunaan sistem penghapus kaca
- Siswa dapat menjelaskan konstruksi dan cara kerja penghapus kaca
- Siswa dapat menjelaskan jenis-jenis penghapus kaca
- Siswa dapat menjelaskan Rangkaian lengkap penghapus kaca,interval dan penyemprot air
Penghapus / Pembersih Kaca
Fungsinya untuk : membersihkan kaca mobil dari air dan kotoran yang menempel pada kaca depan, belakang atau kaca lampu kepala
Konstruksi umum
Penghapus kaca depan terdiri dari sebuah motor listrik DC (1) dengan gerakkan berputar, roda gigi transmisi (2), mekanisme penggerak (3) dan lengan penghapus kaca (4).
Penghapus laca belakang dan lampu kepala, gerakkan motor dibuat berayun (seperti bandul), sehingga gerakkan motor dapat diberikan langsung pada bagian lengan penghapus kaca, tanpa mekanisme penggerak lainnya.
Gambar 6.3 Macam-macam gerakan lengan penghapus kaca depan
Dari gambar dapat dilihat gambar d adalah gerakan lengan penghapus yang terbaik, karena hampir mengenai keseluruhan permukaan kaca
Rangkaian listrik
Motor listrik DC
1. Dengan magnet permanen
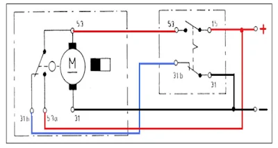
- Satu kecepatan dan sakelar pemberhentian terakhir
- Pada rangkaian ini ada satu kecepatan saja pada motor, bila sakelar dihubungkan, arus listrik mengalir dari terminal 15 ---- 53 sikat dan massa (31) kecepatan (dengan tiga sikat).
Gambar 6.4 Penghapus kaca satu kecepatan dan sakelar pemberhentian terakhir
Pada rangkaian ini ada satu kecepatan saja pada motor, bila sakelar dihubungkan, arus listrik mengalir dari terminal 15 ---- 53 sikat dan massa (31)
kecepatan (dengan tiga sikat)
Sakelar dimatikan, arus pada terminal 53 a akan diputuskan oleh nok melalui sakelar pemberhentian. Dua
Kecepatan 1, putaran motor lambat, momen puntir besar Aliran arus dari terminal 15 ----- 53d ----- 53 ----- sikat (posisi lurus) dan massa 31
Kecepatan 2, putaran motor cepat, momen puntir lebih kecil Aliran arus dari terminal 15 ----- 53d ----- 53b ----- sikat (posisi miring) ----- massa Kerja sakelar pemberhenti sama pada semua rangkaian
2.Dengan magnet listrik
- Pada rangkaian ini ada satu kecepatan saja pada motor, bila sakelar dihubungkan, arus listrik mengalir dari terminal 15 ---- 53 sikat dan massa (31)
kecepatan (dengan tiga sikat).
Gulungan T (yang paralel dengan jangkar), berfungsi untuk membuat putaran motor tetap.
Catatan :
Gambar 6.4 Penghapus kaca dengan magnet listrik
U = Gulungan utama (dihubungkan seri dengan jangkar)T = Gulungan medan penolong, untuk memperlambat putaran motor dan mencegah putaran motor yang makin lama berputar cepat.
Dua kecepatan
Gambar 6.5 Penghapus kaca dengan
dua kecepatan
Kecepatan 1. Putaran motor lambat
Kecepatan 2. Gulungan jangkar dialiri arus secara seri dengan gulungan U (putaran motor cepat)
Kecepatan 1 dan 2 sama seperti rangkaian sebelumnya
Catatan : R = Gulungan medan pengerem putaran motor skibat kelembaban massa yang besar.
Pengatur waktu (interval)
Sakelar interval dipakai bila ada hujan gerimis kecil-kecil dan kita tidak memerlukan penghapus kaca yang bergerak terus menerus.
Arus listrik mengalir ke terminal 53b, gulungan T dan U massa, serta dari terminal 53 ke gulungan jangkar motor gulungan U ----- massa
Gulungan T akan memperlambat putaran motor
- Dua kecepatan dan rem listrik
Sistem penghapus kaca dengan kelembaban massa yang besar, memakai gulungan rem (R)

Gambar 6.6 Penghapus kaca dua kecepatan dengan rem listrik
Catatan : R = Gulungan medan pengerem putaran motor skibat kelembaban massa yang besar.
Sakelar interval dipakai bila ada hujan gerimis kecil-kecil dan kita tidak memerlukan penghapus kaca yang bergerak terus menerus.
Untuk itu kita memasang sebuah relai impuls pada rangkaian penghapus kaca, agar penghapus kaca dapat bergerak secara periodik dengan selang waktu kira-kira 5 detik.
Bagian pembersih yang terdiri dari : tepi & bibir pembersih terbuat dari karet dan ditahan oleh plat alur penahan agar karet tetap pada posisi lurus pada saat lengan penekan bergerak.
Lengan penekan dikonstruksikan bertingkat agar tepi pembersih dapat selalu duduk dengan rapat sesuai dengan lengkungan kaca.
Sisem air pembersih
Ada 2 macam sistem :
Dengan pompa mekanik ( sudah jarang dipakai )
Dengan pompa listrik
Posisi penyemprot dapat diatur/distel agar penyemprotan tepat pada bagian kaca yang akan dibersihkan.
Adakalanya kotoran yang menempel pada kaca sangat sukar dibersihkan hanya dengan air pembersih biasa, oleh karena itu air pembersih perlu ditambahkan dengan cairan pembersih khusus
Tugas kegiatan belajar 6
Cari beberapa motor penghapus kaca dan penyemprot air:
- Identifikasi jenis-jenis motor penghapus kaca dan penyemprot air
- Identifikasi letak/posisi saklar motor penghapus kaca dan penyemprot air beberapa kendaraan?
Tes Formatif
- Jelaskan fungsi penghapus kaca pada kendaraan!
- Sebuah sistem penghapus kaca minimal terdiri dari,sebutkan!
- Macam-macam gerakan lengan penghapus kaca depan,di bawah ini mana yang terbaik?
- Motor (DC) penghapus kaca ada 2 macam sebutkan !
- Jelaskan kegunaan pengatur waktu (interval) pada penghapus kaca!
- Sebutkan 2 sistem air pembersih kca!
- Sebutkan nama-nama komponen pembersih air pada kaca seperti gambar di bawah ini!
Sumber :
Buku Pemeliharaan Kelistrikan Kendaraan Ringan, Bab Perlengkapan Kelistrikan Bodi Sistem Penghapus Kaca











