a. Tujuan Pembelajaran
- Siswa dapat dapat menjelaskan kegunaan sistem lampu tanda belok
- Siswa dapat menjelaskan maca-macam pengedip dan cara kerjanya
- Siswa dapat menggambarkan berbagai macam rangkaian lampu tanda belok
b.Uraian Materi
Lampu tanda belok berfungsi untuk :
Memberi tanda pada orang/pengendara lain, bahwa kendaraan kita akan membelok
Memberi tanda pada pengendara lain, bahwa kita akan merobah posisi pada jalur yang berbeda
Memberi tanda berhenti sementara pada salah satu sisi jalan
Lampu tanda belok harus berkedip, lamanya kedipan lampu ini adalah 60-90 kedipan permenit, sedangkan lamanya lampu menyala dan mati adalah kira-kira sama.
Agar lampu dapat mengedip seperti ketentuan diatas, maka pada sistem lampu tanda belok diperlukan suatu alat yang dinamakan PENGEDIP (Flesher)
Macam-macam pengedip
Model bimetal
Model kawat panas
Kondensator
Transistor
Sirkuit integritas
Setiap pengedip mempunyai 2 atau 3 terminal penghubung kabel-kabel rangkaian, dengan kode-kode seperti dibawah ini
Terminal 49 A; L =
Terminal 49; B; X =
Terminal 31 =
Terminal C =
Ke saklar lampu tanda belok
Ke kunci kontak (terminal 15)
Ke massa
Ke lampu kontrol
Terminal 31 dan C adakalanya tidak terdapat pada pengedip, karena terminal 31 langsung berhubungan dengan badan / bodi pengedip, dan terminal C diambil langsung secara paralel dengan lampu-lampu tanda belok.
Pengedip Model Bimental
Konstruksi pengedip ini adalah yang paling sederhana, terdiri atas 2 batang logam dengan muai panjang yang berbeda.
Pada mulanya titik kontak dalam keadaan menutup, bila sakelar lampu tanda belok dihubungkan, maka arus dari Baterai, melalui bimental terus ke lampu tanda belok ke massa akibatnya lampu tanda belok menyala
Sebahagian arus ke gulungan bimetal, akibatnya bimetal panas Bimetal yang panas akan melengkung, dan memutuskan arus baterai melalui titik kontak, lampu tanda belok akan mati.
Bila bimetal dingin kontak akan berhubungan kembali, demikian seterusnya.
Keuntungan :
Kerugian :
- Bentuk lebih sederhana
- harga lebih murah
- Sangat berpengaruh terhadap perubahan arus dan tegangan
- Kelebihan beban akan mempercepat kedipan lampu
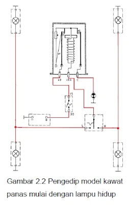
Waktu sakelar lampu tanda belok dihubungkan arus mengalir melewati K1 (kontak 1), KP (Kawat Panas), R dan Relai, mengakibatkan : kawat panas memuai, Relai jadi magnet.
K1 (kontak 1) ditarik oleh relai, saat ini akan mengalir langsung ke lampu tanda belok, akibatnya lampu tanda belok menyala, kemagnetan relai bertambah, sehingga menarik kontak 2 (K2) sampai berhubungan ----- lampu kontrol nyala.
Bila kawat panas menjadi dingain, akan menarik K1 sampai lepas, hingga kemagnetan relai berkurang, K2 juga lepas saat ini lampu-lampu akan mati.
Demikian seterusnya,
Pengedipan model kawat panas ini ada bentuk lain seperti rangkaian di bawah ini.
Perbedaan kedua jenis ini adalah : Jenis Pengedip model kawat panas ini, mulai dengan lampu mati, sedangkan model ini mulai dengan lampu menyala.
Kerugian : Gulungan relai cepat terbakar, bila kawat panas tidak berfungsi dengan baik perubahan beban akan mempengaruhi kedipan lampu, pengedip cepat panas.
Cara kerja :
Membuka dan menutup kontak adalah pada saat kondensator mengisi dan mengosongkan.
Pengedip Transistor
Rangkaian transistor berfungsi untuk memutus dan menghubungkan kontak, sehingga lampu dapat berkedip.

Pengedip Sirkuit Integritas
Bekerjanya pengedip ini sama seperti pengedip transistor, menghubung dan memutuskan kontak dengan impuls yang diberikan oleh komponen-komponen lain bersama IC.
Keuntungan pengedip elektronika :
- Tidak terpengaruh oleh kenaikan dan penurunan tegangan
- Cepat memberi informasi pada pengemudi bila salah satu lampu tanda belok mati
- Bisa rusak bila ada tegangan/ jarum induksi.
Rangkuman
Lampu tanda belok berfungsi untuk :
Memberi tanda pada orang/pengendara lain, bahwa kendaraan kita akan membelok
Memberi tanda pada pengendara lain, bahwa kita akan merobah posisi pada jalur yang berbeda
Memberi tanda berhenti sementara pada salah satu sisi jalan
Lampu tanda belok harus berkedip, lamanya kedipan lampu ini adalah 60-90 kedipan permenit, sedangkan lamanya lampu menyala dan mati adalah kira-kira sama,supaya lampu lampu tanda belok diperlukan suatu alat yang dinamakan PENGEDIP (Flesher)
Macam-macam pengedip
Model bimetal
Model kawat panas
Kondensator
Transistor
Sirkuit integritas
Setiap pengedip mempunyai 2 atau 3 terminal penghubung kabel-kabel rangkaian, dengan kode-kode seperti dibawah ini
Terminal 49 A; L : Ke saklar lampu tanda belok
Terminal 49; B; X : Ke kunci kontak (terminal 15)
Terminal 31 : Ke massa
Terminal C : Ke lampu kontrol
Keuntungan dan kerugian flasher bimetal adalah:
Keuntungan:
Bentuk lebih sederhana
harga lebih murah
Kerugian:
Sangat berpengaruh terhadap perubahan arus dan tegangan
Kelebihan beban akan mempercepat kedipan lampu
Keuntungan pengedip elektronika :
Tidak terpengaruh oleh kenaikan dan penurunan tegangan
Cepat memberi informasi pada pengemudi bila salah satu lampu tanda belok mati
Kerugian :
Bisa rusak bila ada tegangan/ jarum induksi.
Tugas
Buatlah tes lamp dari komponen-komponen yang mudah didapat
e.Tes Formatif
1. Jelaskan fungsi lampu tanda belok!
2. Lampu tanda belok harus berkedip,lamanya kedipan antara hidup-dan mati sebesar?
3. Sebutkan alat yang digunakan untuk lampu tanda belok supaya dapat berkedip!
4. Sebutkan macam-macam pengedip (Flasher)!
5. Setiap flasher mempunyai 2 atau 3 terminal sebutkan!
6. Sebutkan keuntungan dan kerugian flasher bimetal!
7. Sebutkan keuntungan dan kerugian flasher elektronika!






